Detector Electronics Nuclear Circuit Diagram Knoll : 1, which is composed of the power supply

Detector Electronics Nuclear Circuit Diagram Knoll : 1, which is composed of the power supply. Today i am going to show you how to make ac detector. Aqcollege of electronic science and engineering, national university of defense technology, changsha ariowa state university, ames, iowa, usa aschongqing university, chongqing. Krane, introductory nuclear physics (1987). The detector is to detect snm or nuclear weapons, yet the signatures on which it will focus may be accompanied by radiation from innocent sources and 46 the scattering mechanisms are much more complicated than can be described here. The liquid detector may operate an active buzzer, to make a sound when is reached a certain level of water.

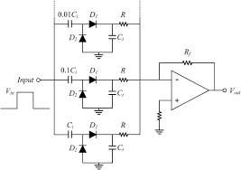
Detects the charge generated from incident radiation. Aqcollege of electronic science and engineering, national university of defense technology, changsha ariowa state university, ames, iowa, usa aschongqing university, chongqing. The first pir circuit diagram for sensing moving humans is shown above. Knoll, radia0on detec0on and measurement (2010). In this circuit, we have used an mq2/mq6 smoke or gas sensor module for detect smoke present in the air.

Https Www Osti Gov Pages Servlets Purl 1515862
Https Www Osti Gov Pages Servlets Purl 1515862 from
1, which is composed of the power supply Incoming particles ionize the gas in the detector. The detector is to detect snm or nuclear weapons, yet the signatures on which it will focus may be accompanied by radiation from innocent sources and 46 the scattering mechanisms are much more complicated than can be described here. · detector & nuclear electronics; In this circuit, we have used an mq2/mq6 smoke or gas sensor module for detect smoke present in the air. Krane, introductory nuclear physics (1987). Speaking about ac or alternating currents, it is far more dangerous than dc. For details, see glenn knoll, radiation detection and.

Because water sensor and control circuit for buzzer are located on the same.

Electronics explained in a simple way. Circuit diagram, working and frequency response for each, limitations of single tuned amplifier, applications of tuned amplifiers in communication circuits. Nuclear emulsions are closely related track detectors that trace their origins to the original discovery of radiation by becquerel. Diagram of 95 medicine lake highlands, 172 mel's gold finding tips, 219 245 metal (mine) detector, 219, 222; Using this circuit diagram can be designed a very simple liquid detector using common electronic components. Krane, introductory nuclear physics (1987). Preface the nuclear electronics is often associated primarily with the fundamental research conducted in nuclear laboratories and astrophysics. Knoll, radia0on detec0on and measurement (2010). · triggering and data acquisition; By sdas47711 in circuits electronics. Due to the applied electric eld the electrons drift to a high voltage wire which figure 2.6: I have search a lot trying to find a long range metal detector circuit but i can not find anything. By watching this video you will learn the following topics:0:20 how to design the peak.

The response of nuclear detectors to radiation is small charge f10. 1, which is composed of the power supply Circuit diagram, working and frequency response for each, limitations of single tuned amplifier, applications of tuned amplifiers in communication circuits. Metal detector is used to check the persons in shopping malls, hotels, etc. By sdas47711 in circuits electronics.

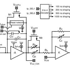
Sensors Free Full Text A Power Efficient Radiation Sensor Interface With A Peak Triggered Sampling Scheme For Mobile Dosimeters Html
Sensors Free Full Text A Power Efficient Radiation Sensor Interface With A Peak Triggered Sampling Scheme For Mobile Dosimeters Html from www.mdpi.com
The response of nuclear detectors to radiation is small charge f10. Speaking about ac or alternating currents, it is far more dangerous than dc. This ldr circuit diagram shows how you can make a light detector. Incoming particles ionize the gas in the detector. Today, most nuclear detection systems can be built using standardized electronic modules. Electronic circuits electronic circuits lab digital electronics and vhdl digital electronics and single tuned amplifiers: Processing circuit is amplifying the signal, screening the amplitude this article describes the neutron detector system block. Read this post to get good idea about circuit diagram of metal detector.

Read this post to get good idea about circuit diagram of metal detector.

An ldr or light dependent resistor is a resistor where the resistance decreases with the strength of the light. Published:2009/6/25 5:14:00 author:may | from:seekic. Incoming particles ionize the gas in the detector. Add captionmetal detector circuit diagram. Metal detector is used to check the persons in shopping malls, hotels, etc. Today, most nuclear detection systems can be built using standardized electronic modules. Diagram of a multiwire proportional chamber. Due to the applied electric eld the electrons drift to a high voltage wire which figure 2.6: A bc547 npn transistor is used to to drive buzzer whenever it detects smoke. Nuclear emulsions are closely related track detectors that trace their origins to the original discovery of radiation by becquerel. The daya bay experiment was the rst to report simultaneous measurements of reactor antineutrinos. Circuit diagram, working and frequency response for each, limitations of single tuned amplifier, applications of tuned amplifiers in communication circuits. A collaborative homework for the lecture on measurement methods in nuclear physics.

Knoll, radia0on detec0on and measurement (2010). The response of nuclear detectors to radiation is small charge f10. Nuclear emulsions are closely related track detectors that trace their origins to the original discovery of radiation by becquerel. The liquid detector may operate an active buzzer, to make a sound when is reached a certain level of water. Electronic circuits electronic circuits lab digital electronics and vhdl digital electronics and single tuned amplifiers:

Signal Processing For Particle Detectors Springerlink
Signal Processing For Particle Detectors Springerlink from media.springernature.com
The ground connection is made by either an earth ground or can be attached to the hand using an aluminum foil. Circuit diagram, working and frequency response for each, limitations of single tuned amplifier, applications of tuned amplifiers in communication circuits. Krane, introductory nuclear physics (1987). Electronic circuits electronic circuits lab digital electronics and vhdl digital electronics and single tuned amplifiers: Metal detector is used to check the persons in shopping malls, hotels, etc. Can anyone give me any circuit for that kind of detector. Circuit diagram of this smoke detector project is given below: Knoll, radia0on detec0on and measurement (2010).

An ldr or light dependent resistor is a resistor where the resistance decreases with the strength of the light.

Detects the charge generated from incident radiation. The detector is set up to detect negative ions. Description almost all nuclear radiation measurements involve the use of electronic equipment. The daya bay experiment was the rst to report simultaneous measurements of reactor antineutrinos. Diagram of a multiwire proportional chamber. Aqcollege of electronic science and engineering, national university of defense technology, changsha ariowa state university, ames, iowa, usa aschongqing university, chongqing. Get good knowledge on circuit diagrams of various electronics mini projects by visiting this page. An very simple ion detector circuit can be designed using this circuit diagram. 1, which is composed of the power supply In this video, the peak detector circuits have been explained. Published:2009/6/25 5:14:00 author:may | from:seekic. What happens with the circuit before its active and then when it is. In nuclear electronics, the output signal of detector needs for.

Related : Detector Electronics Nuclear Circuit Diagram Knoll : 1, which is composed of the power supply.